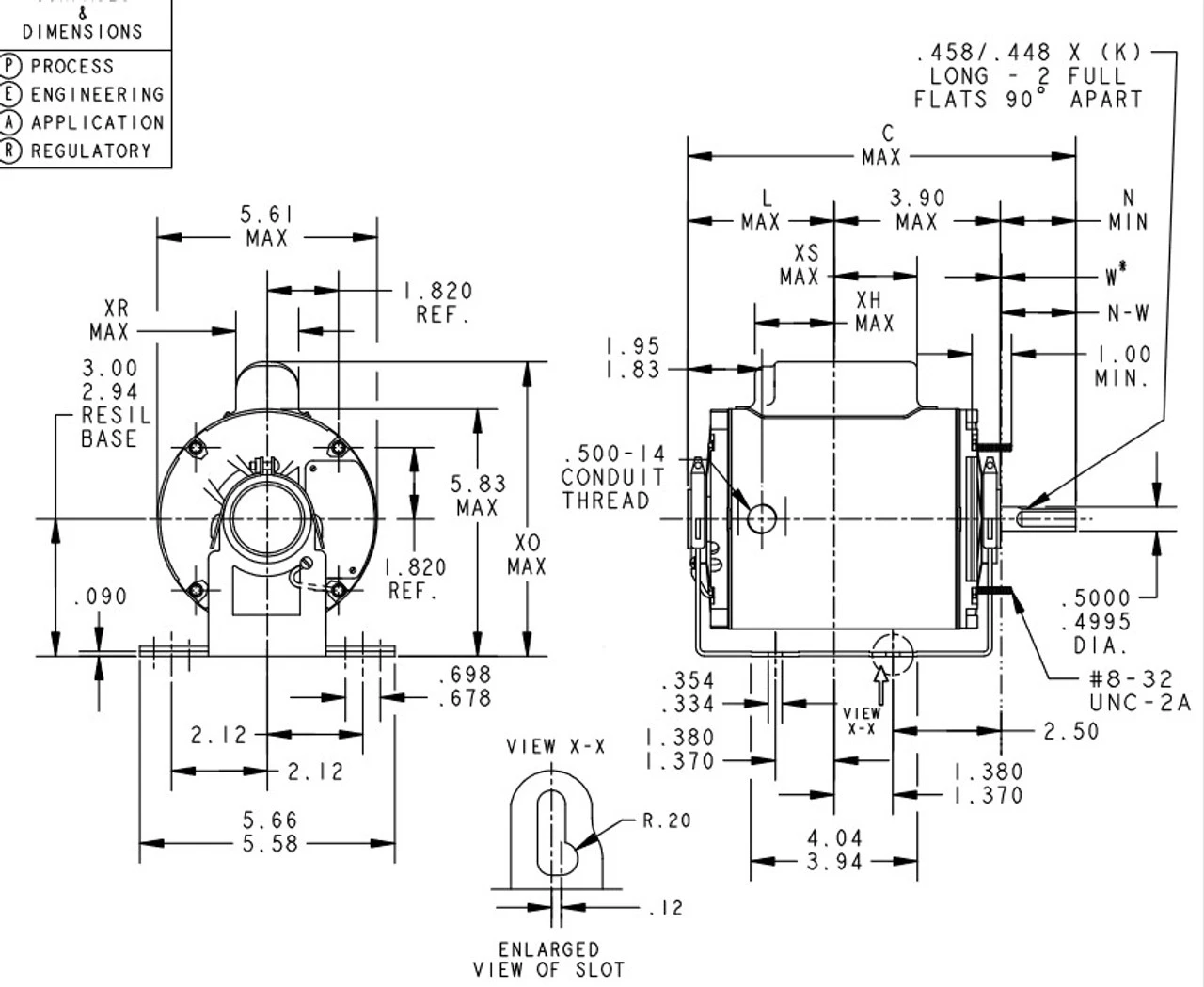
- 1/2 hp 1200 RPM, 7.2/3.6 amps, 115/230 Volts 60 Hz. PSC
- NEMA 48Z Frame, TENV, Shaft 1/2″ Diameter x 1 1/2″
- Service Factor = 1.0, Overload Protection: Auto
- Resilient Base, Reversible Rotation, Ball Bearings, Class B Insulation
- 1 Year Manufacture Warranty
Single phase motor designed for general purpose farm application, TENV = Totally-Enclosed Non-Ventilated, 5KCP36NNB059S



















Reviews
There are no reviews yet.