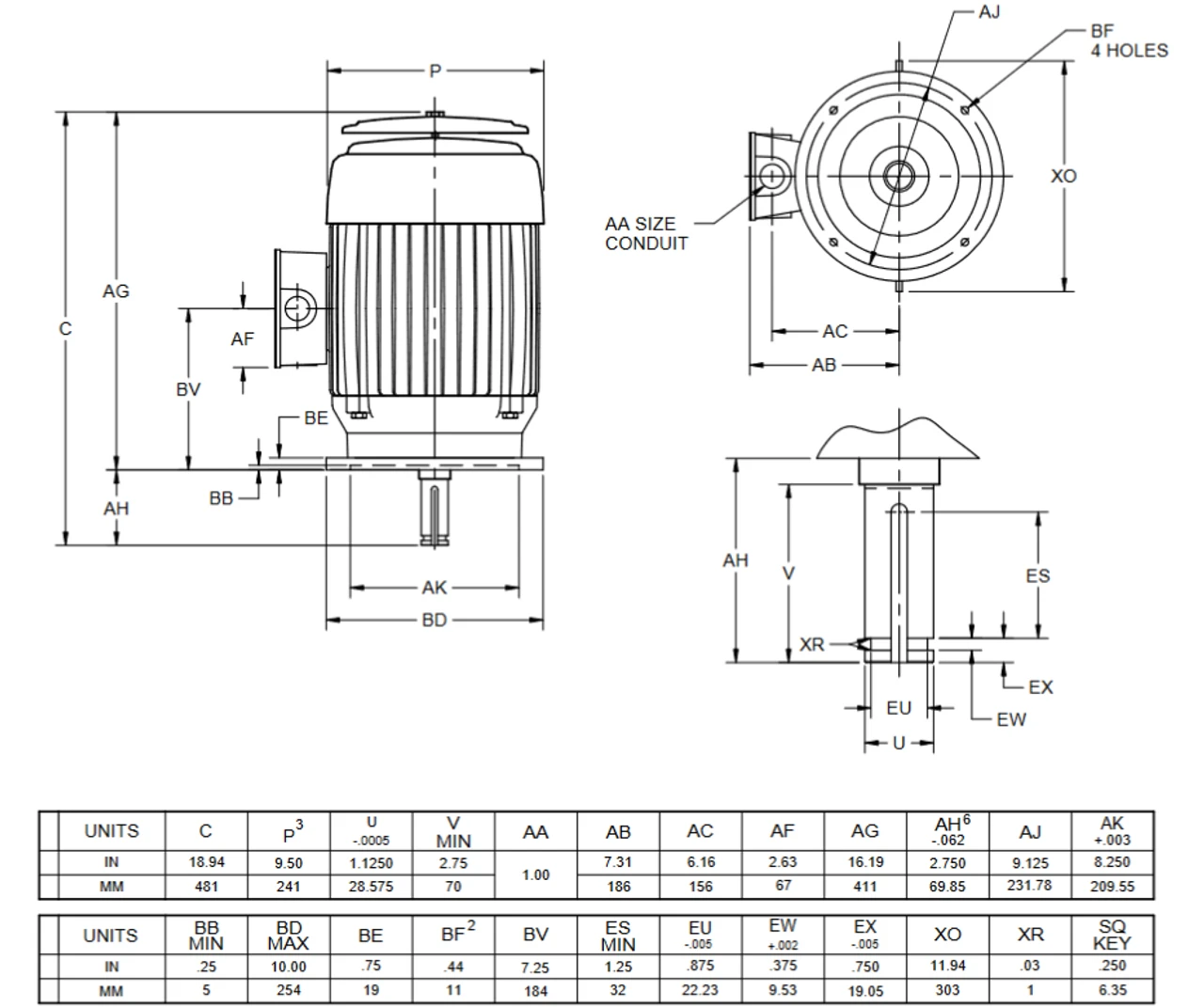
- 5 HP 1800 RPM, 12.5/6.3 amps, 230/460V 60 Hz. 3 Phase
- NEMA 184VP Frame, AVS type, 10″ Dia. Base, TEFC
- 1.15 Service Factor, Class F insulation, Thermal Protection: None
- Non-Reversible Ratchet Rotation, Weather Protected Enclosure
- P-Base Mounting, Ball Bearings, Normal Thrust
Vertical pump motor for use on turbine, mix flow, and propeller pumps. TEFC = Totally-Enclosed Fan-Cooled, All cast iron construction, Inverter Duty. 1 Year Manufacture Warranty. FK77















Reviews
There are no reviews yet.