- 2 hp 1800 RPM, 18.8/10.2-9.4 amps, 115/208-230 Volts 60 Hz, Capacitor Start / Capacitor Run
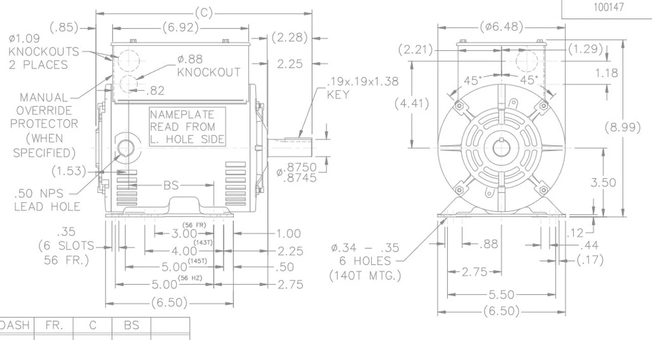
- NEMA 145T Frame, Shaft 1 1/4″ x 7/8″ Diameter, 1 speed
- Service Factor = 1.0, Thermal Protection = Manual
- Rigid Base, Reversible rotation, Ball Bearings, Class B insulation
- 1 Year Manufacture Warranty
For use on air compressors found in pressure washer units. Shaft should be horizontal. ODP = Open Drip Proof. 145TBDR5337



















Reviews
There are no reviews yet.