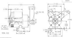
- 3/4 hp 1800 RPM, 11.0/5.5 amps, 115/208-230 Volts 60 Hz, Capacitor Start / Capacitor Run
- NEMA 56 Frame, Shaft 1 7/8″ x 5/8″ Diameter, 1 speed
- Service Factor = 1.25, Thermal Protection = Manual
- Rigid Base, Reversible rotation, Ball Bearings, Class B insulation
- 1 Year Manufacture Warranty
For use on air compressors found in pressure washer units. Shaft should be horizontal. ODP = Open Drip Proof. 056B17D56



















Reviews
There are no reviews yet.