- 25 HP 3600 RPM, 58.0/29.1 amps, 230/460V 60 Hz. 3 Phase
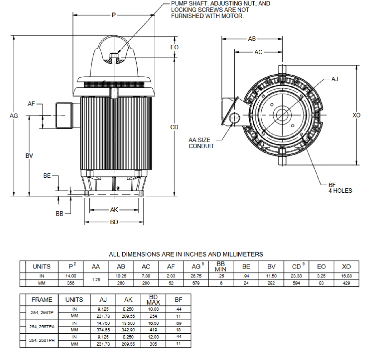
- NEMA 256TPH Frame, AUS type, 12″ Dia. Base
- 1.15 Service Factor, Class F insulation, Thermal Protection: None
- Non-Reversible Ratchet Rotation, Weather Protected Enclosure
- P-Base Mounting, Ball Bearings, High Thrust
Vertical pump motor for use on turbine, mix flow, and propeller pumps. 1 Year Manufacture Warranty. FJ88















Reviews
There are no reviews yet.