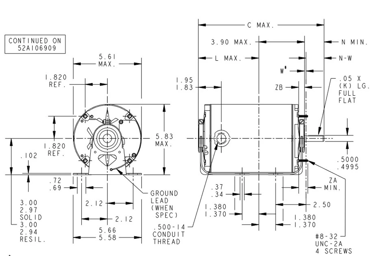
- 1/3 hp 1800 RPM, 2.5 amps, 230 Volts 60 Hz. Split Phase
- NEMA 48 Frame, TENV, Shaft 1/2″ Diameter x 1 1/2″
- Service Factor = 1.0, Overload Protection: Auto
- Resilient Base, Reversible Rotation, Ball Bearings, Class B Insulation
- 1 Year Manufacture Warranty
Single phase motor designed for belt drive fans in farm buildings, TENV = Totally-Enclosed Non-Ventilated, 5KH36NN37S



















Reviews
There are no reviews yet.