- 15 hp 1800 RPM, 41.0-40.0 amps 200-208 Volts 60 Hz Three Phase Motor
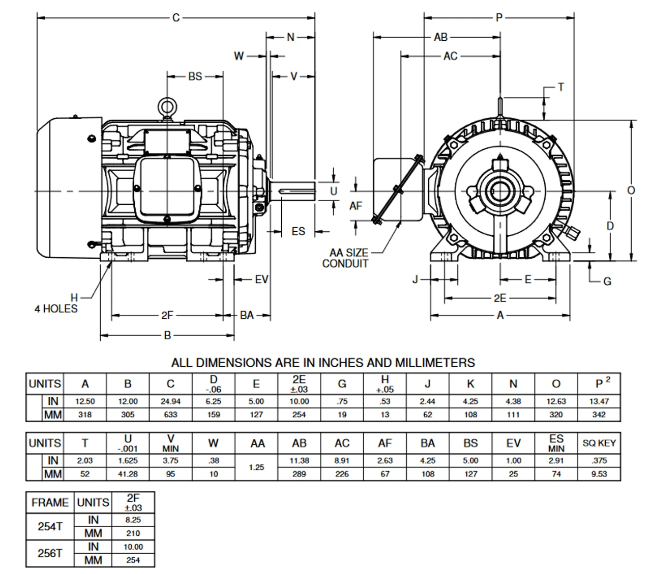
- NEMA 254T Cast Iron frame Keyed Shaft 1 3/8″ Diameter x 3 3/8″
- Service Factor: 1.15, Overload protection = None
- Rigid Base Mount, Ball Bearings, Class F Insulation, Reversible
- 1 Year Manufacture Warranty
Hostile duty motor can be used for many applications requiring a three phase electric motor. Inverter Duty. Self-certified Class 1, Division 2, Groups A, B, C, D. Wiring diagram on motor name plate. TEFC = Totally Enclosed Fan cooled. GB58















Reviews
There are no reviews yet.