Skip to content
  • 💰 Get more for your money with big discounts and free shipping! 💰
  • 💰 Get more for your money with big discounts and free shipping! 💰
Motor Electrical ShopMotor Electrical Shop
  • Menu
    • No products in the cart.

      Return to shop

  • Cart

    No products in the cart.

    Return to shop

  • Electric Motors
    • Leeson/Marathon Electric Motors
    • Farm Duty Motors
    • Bison Gear Motors
    • Fasco Motors
    • Nidec Electric Motors
    • Dayton Gear Motors
    • TECO-Westinghouse Electric Motors
    • Motor Controls
    • Marathon FLEX-N-1 General Purpose Motors
    • Unit Bearing Motors
    • Air Compressor Motors
    • Dry Elevator Motors
    • Ametek Lamb Vacuum Motors
    • Modine Replacement Motors
    • Submersible Elevator Motors
  • HVAC Motors & Draft Inducers
    • Air Condenser Fan Motor
    • Ventilation Direct Drive Blower Motors
    • HVAC-OEM Blower Motors
    • Draft Inducer Venter Motors-Furnace
    • Furnace Motors
    • Penn Vent Motors
    • Hanging Furnace Motors
    • Dual Shaft Motors
    • Dayton Ventilator Replacement Motors
    • Evaporative Cooler Motors
    • Water Heater Exhaust Blowers
  • Bath-Kitchen-Vent Fan Motors
    • Broan
    • Universal Replacement Motors
  • Fasco Blowers
    • Squirrel Cage Blowers
    • Low Profile Blowers
    • Transflo Blower
  • Featured Products
Home / Electric Motors / Farm Duty Motors
  • Z304 Marathon | 3 Hp 3600 RPM 230V 145TZ Frame (Rigid Base) ODP 1-Phase Crop Dryer Motor -Motor Electrical Shop Z304 58684.1664900008
  • F1204 Marathon 1 Hp 1800 RPM 115/230V TEFC 56NZ Frame Auger Motor -Motor Electrical Shop 1204 side 57116.1622221944
-60%
H277 Marathon 1/4 Hp 1800 RPM 230V TENV 48 Frame Split-Phase Farm Motor
H277 Marathon 1/4 Hp 1800 RPM 230V TENV 48 Frame Split-Phase Farm Motor - Image 2
H277 Marathon 1/4 Hp 1800 RPM 230V TENV 48 Frame Split-Phase Farm Motor -Motor Electrical Shop 277 line 19174.1623078594

H277 Marathon 1/4 Hp 1800 RPM 230V TENV 48 Frame Split-Phase Farm Motor

$238.80 Original price was: $238.80.$95.99Current price is: $95.99.

SKU: ZWXLY 1698665456 Categories: Electric Motors, Farm Duty Motors Tag: Marathon
  • Reliable Payments for Reliable Shopping
  • Safe Transactions, Always
  • Buy with Confidence, Get Quality
  • 100% High Quality Guarantee
Browse
  • Bath-Kitchen-Vent Fan Motors
    • Broan
    • Universal Replacement Motors
  • Electric Motors
    • Air Compressor Motors
    • Ametek Lamb Vacuum Motors
    • Bison Gear Motors
    • Carbonator Pumps & Motors
    • Dayton 3.3" Diameter Motors
    • Dayton Gear Motors
    • Dry Elevator Motors
    • Farm Duty Motors
    • Fasco Motors
    • Leeson/Marathon Electric Motors
    • Marathon FLEX-N-1 General Purpose Motors
    • Modine Replacement Motors
    • Motor Controls
    • Nidec Electric Motors
    • Rotisserie Motor 115V
    • Submersible Elevator Motors
    • TECO-Westinghouse Electric Motors
    • Unit Bearing Motors
    • Woodworking Motors
  • Fasco Blowers
    • Low Profile Blowers
    • Squirrel Cage Blowers
    • Transflo Blower
  • HVAC Motors & Draft Inducers
    • Air Condenser Fan Motor
    • Dayton Ventilator Replacement Motors
    • Draft Inducer Venter Motors-Furnace
    • Dual Shaft Motors
    • Evaporative Cooler Motors
    • Furnace Motors
    • Hanging Furnace Motors
    • HVAC-OEM Blower Motors
    • Penn Vent Motors
    • Ventilation Direct Drive Blower Motors
    • Water Heater Exhaust Blowers
  • Description
  • Reviews (0)
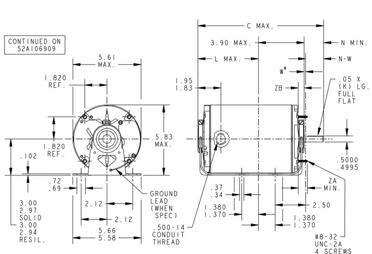
  • 1/4 hp 1800 RPM, 2.3 amps, 230 Volts 60 Hz. Split Phase
  • NEMA 48 Frame, TENV, Shaft 1/2″ Diameter x 1 1/2″
  • Service Factor = 1.0, Overload Protection: Auto
  • Resilient Base, Reversible Rotation, Ball Bearings, Class B Insulation
  • 1 Year Manufacture Warranty

Single phase motor designed for belt drive fans in farm buildings, TENV = Totally-Enclosed Non-Ventilated, 5KH33KN20S

Reviews

There are no reviews yet.

Be the first to review “H277 Marathon 1/4 Hp 1800 RPM 230V TENV 48 Frame Split-Phase Farm Motor” Cancel reply

Related products

-70%
H131 Marathon 1/2 Hp (2 Speed) 115V 1800/1200 RPM ODP 56 Frame Resilient Base Blower Motor
Quick View

H131 Marathon 1/2 Hp (2 Speed) 115V 1800/1200 RPM ODP 56 Frame Resilient Base Blower Motor

$322.00 Original price was: $322.00.$97.99Current price is: $97.99.
-73%
CG239 Marathon 1 1/2 Hp (1 Speed) 115/208-230V 1800 RPM ODP 56H Frame Cap Start/Run Resilient Base Motor
Quick View

CG239 Marathon 1 1/2 Hp (1 Speed) 115/208-230V 1800 RPM ODP 56H Frame Cap Start/Run Resilient Base Motor

$359.00 Original price was: $359.00.$97.99Current price is: $97.99.
-69%
U3P3D Nidec 3 Hp 1200 RPM 213T Frame 208-230/460V TEFC 3-Phase Electric Motor
Quick View

U3P3D Nidec 3 Hp 1200 RPM 213T Frame 208-230/460V TEFC 3-Phase Electric Motor

$317.00 Original price was: $317.00.$98.99Current price is: $98.99.
-71%
H700 Marathon 3/4 Hp 208-230/460V 1200 RPM 3-Phase 143T Frame TEFC (rigid Base) Motor
Quick View

H700 Marathon 3/4 Hp 208-230/460V 1200 RPM 3-Phase 143T Frame TEFC (rigid Base) Motor

$339.00 Original price was: $339.00.$98.99Current price is: $98.99.
-70%
HT7P2BLE Nidec 7-1/2 Hp 1800 RPM 230/460V 3-phase H213TP Frame TEFC Vertical Holloshaft Sinewave Motor
Quick View

HT7P2BLE Nidec 7-1/2 Hp 1800 RPM 230/460V 3-phase H213TP Frame TEFC Vertical Holloshaft Sinewave Motor

$328.00 Original price was: $328.00.$98.99Current price is: $98.99.
-70%
JMP0402 TECO Westinghouse 40 Hp 3600 RPM 324JM Cast Iron Frame 230/460V TEFC Close-Coupled 3-Phase Motor
Quick View

JMP0402 TECO Westinghouse 40 Hp 3600 RPM 324JM Cast Iron Frame 230/460V TEFC Close-Coupled 3-Phase Motor

$318.00 Original price was: $318.00.$95.99Current price is: $95.99.
-73%
S5P2AC Nidec 5 Hp 1800 RPM 184TC Frame 208-230/460V TEFC 3-Phase Electric Motor
Quick View

S5P2AC Nidec 5 Hp 1800 RPM 184TC Frame 208-230/460V TEFC 3-Phase Electric Motor

$356.00 Original price was: $356.00.$95.99Current price is: $95.99.
-67%
122204.00 Leeson 2 Hp 1800 RPM 208-230/460V 145TC Frame (No Base) TEFC 3-Phase Premium-Stainless Wash-Down Motor
Quick View

122204.00 Leeson 2 Hp 1800 RPM 208-230/460V 145TC Frame (No Base) TEFC 3-Phase Premium-Stainless Wash-Down Motor

$300.00 Original price was: $300.00.$98.99Current price is: $98.99.
MY ACCOUNT
  • Cart
  • Checkout
  • My account
  • Wishlist
ABOUT US
  • About Us
  • FAQ
  • Returns & Exchanges
  • Delivery
  • Contact Us
LEGAL
  • Privacy Policy
  • Payment Method
  • Shipping Policy
  • Term and Conditions
Signup for Newsletter

Sign up for exclusive offers, original stories, events and more.

    Copyright 2026 © www.us3cconnect.com
    • Electric Motors
      • Leeson/Marathon Electric Motors
      • Farm Duty Motors
      • Bison Gear Motors
      • Fasco Motors
      • Nidec Electric Motors
      • Dayton Gear Motors
      • TECO-Westinghouse Electric Motors
      • Motor Controls
      • Marathon FLEX-N-1 General Purpose Motors
      • Unit Bearing Motors
      • Air Compressor Motors
      • Dry Elevator Motors
      • Ametek Lamb Vacuum Motors
      • Modine Replacement Motors
      • Submersible Elevator Motors
    • HVAC Motors & Draft Inducers
      • Air Condenser Fan Motor
      • Ventilation Direct Drive Blower Motors
      • HVAC-OEM Blower Motors
      • Draft Inducer Venter Motors-Furnace
      • Furnace Motors
      • Penn Vent Motors
      • Hanging Furnace Motors
      • Dual Shaft Motors
      • Dayton Ventilator Replacement Motors
      • Evaporative Cooler Motors
      • Water Heater Exhaust Blowers
    • Bath-Kitchen-Vent Fan Motors
      • Broan
      • Universal Replacement Motors
    • Fasco Blowers
      • Squirrel Cage Blowers
      • Low Profile Blowers
      • Transflo Blower
    • Featured Products
    • Login

    Login

    Lost your password?

    Register

    Your personal data will be used to support your experience throughout this website, to manage access to your account, and for other purposes described in our privacy policy.