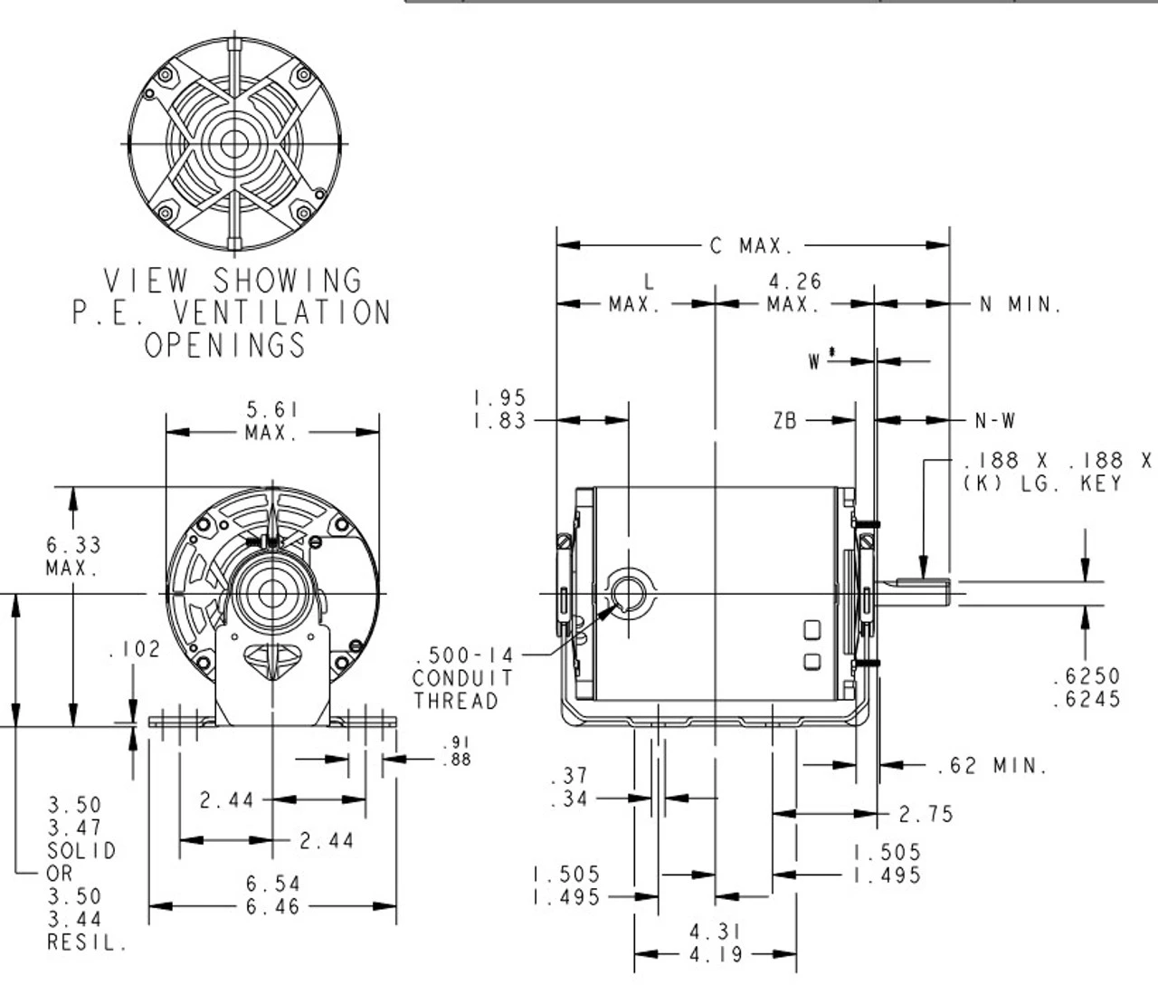
- 1/2 hp 1800/1200 RPM, 8.4/4.8 amps, 115 Volts 60 Hz, Split Phase
- NEMA 56 Frame keyed Shaft 1 7/8″ x 5/8″ Diameter, 2 speed
- Service Factor = 1.0, Thermal Protection = Auto
- Resilient Base, Reversible, Ball Bearings, Class B insulation
- 1 Year Manufacture Warranty
Blower motors are used to blow air inside of buildings. Shaft may be vertical or horizontal. ODP = Open Drip Proof. 5KH39QN9631T



















Reviews
There are no reviews yet.