ALL NEW Marathon FLEX-IN-1™ Electric Motor
Catalog No. FX02FK002
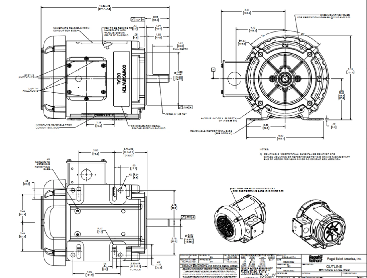
Model No. 056T34F15674
- 2 HP 3600 RPM
- 575 Volts, 2.0 amp, 50/60hz
- 3 Phase Power Only
- 56HC Frame – with removable mounting base
- TEFC – Totally Enclosed Fan Cooled
- Inverter Duty – 10:1 CT
- Class F Insulation
- Double-sealed ball bearings offer longer life and less down time
This motor will replace 100’s of brand name motors that have been discontinued or that are out of stock.
This motor will replace standard 56 frame motors with or without C-face mounts. If the original motor is a 56 frame, this motor will replace it with no issue.
Excellent design and low cost makes this motor an easy replacement option!
The Flex-in-1™ motor is the only NEMA® rolled steel motor design with a patent-pending multi-mount, repositionable bolt-on base and C-Face. It allows for rapid reconfiguration of the conduit box vs. a traditional general purpose motor
Purposeful Innovation
- Fan guard – Rotatable in 90˚ increments so flat can be positioned in-line with base if base is repositioned for F-2 or F-3 conduit box
- 180˚ Rotatable conduit box – For 360˚ conduit entry – 7/8” & 1-1/8” knockouts on all sides
- Hole plugs – In main frame for repositioning base for NEMA® F-2 & F-3 conduit box locations
- Conduit box cover gasket – Standard on all enclosed motors to meet IP44 or better enclosure rating. Replace after rotating conduit box to desired position. For conduit box hole and wiring of motor for desired voltage/rotation
- Repositionable combination base – Holes and slots for NEMA 56, 56H, 143T and 145T mounting can be rotated for NEMA F-2 or F-3 conduit box locations (F-1 standard factory conduit box location)
- F-1, F-2 & F-3” Cast in end frame – indicating base location for conduit box
- Base to main frame and end frame mounting screws – For repositioning base for NEMA F-2 or F-3 conduit box locations
One Motor With Multiple Mounting Options















Reviews
There are no reviews yet.