- 20 hp 1800 RPM, 54.0-50.0/28.6 amps 208-230/460 Volts 60 Hz Three Phase Motor
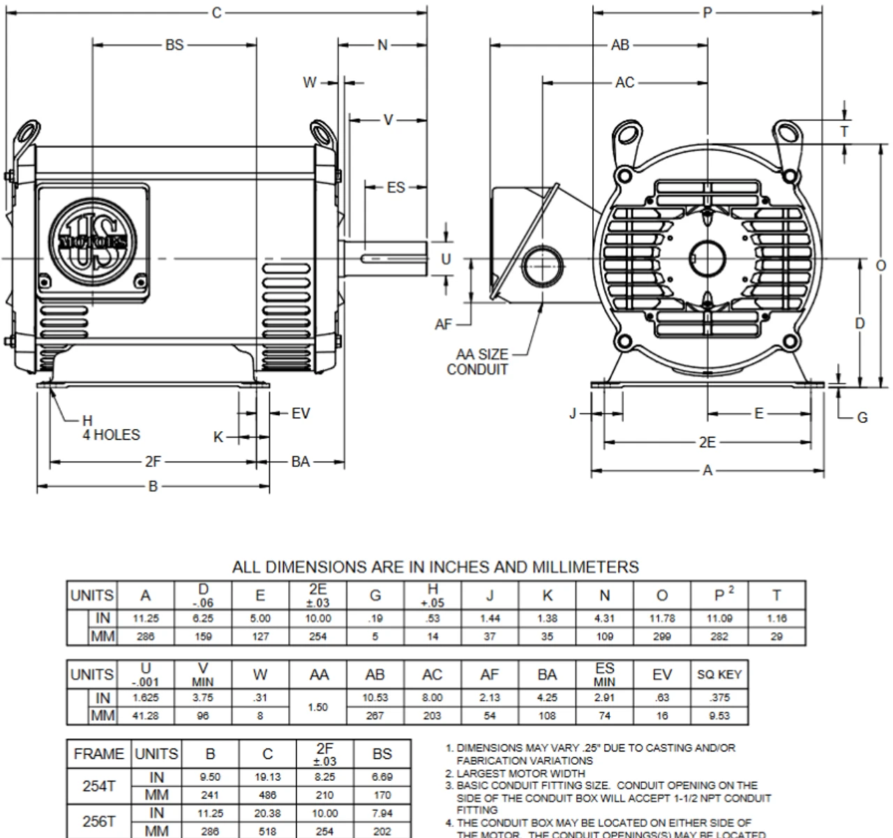
- NEMA 256T Rolled Steel Frame, Keyed Shaft 1 5/8″ Diameter x 4″
- Service Factor: 1.15 Overload protection = None
- C-Face Mount, Ball Bearings, Class F Insulation, Reversible
- 1 Year Manufacture Warranty
For fire pump applications per NFPA 20 where contaminants are minimal. Wiring diagram on motor name plate. ODP = Open Drip Proof. HE94















Reviews
There are no reviews yet.