- 1/25 hp, 60 RPM, 0.52 amps, 115 volts, 60/50HZ
- TENV
- Run Torque 30 inch pounds
- Gear Ratio 28.3:1
- Rotation = Reversible
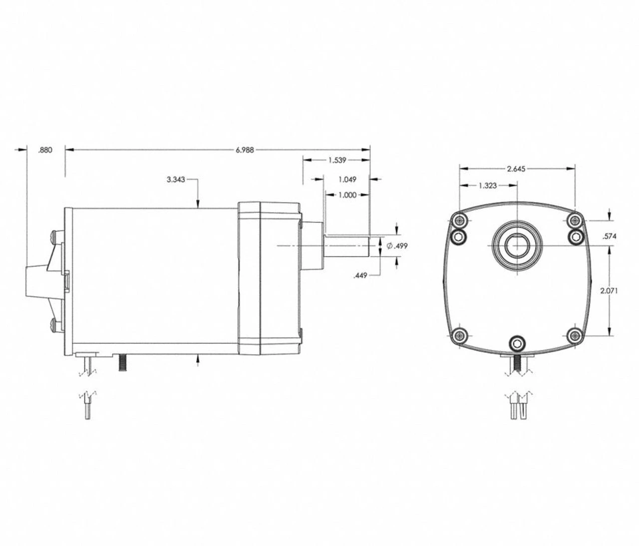
- Shaft: 1/2″ x 1″
- Over Hung Pounds = 50
- One Year Manufacture Warranty
- Thermal Protection = None
ref # EM5R-56-1, Requires 5 MFD 370 volt capacitor (included), Optional mounting bracket available Model 2A754, Optional Magnetic Disc Brake available Model 5X400
Replaces Dayton Model 4Z064 (this model ran at 54 RPM)

















Reviews
There are no reviews yet.