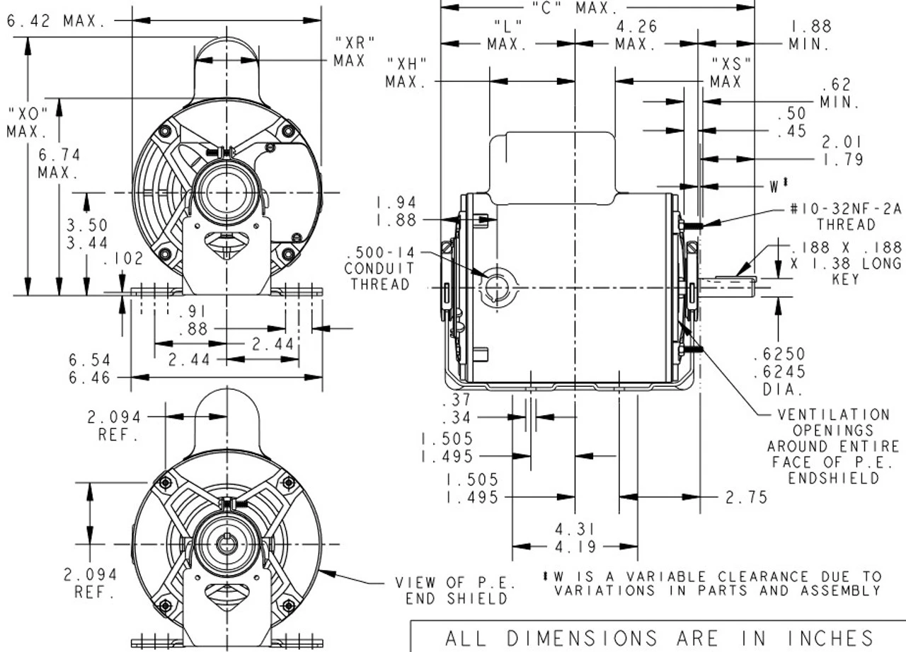
- 3/4 hp 1800 RPM, 13.3/6.6- 6.5 amps, 115/208-230 Volts 60 Hz, Capacitor Start
- NEMA 56 Frame Keyed Shaft 1 7/8″ x 5/8″ Diameter, 1 speed
- Service Factor = 1.25, Thermal Protection = Auto
- Resilient Base, Reversible, Ball Bearings, Class B insulation
- 1 Year Manufacture Warranty
Blower motors are used to blow air inside of buildings. Shaft may be vertical or horizontal. Capacitor Start Motors have higher starting torque than normal. ODP = Open Drip Proof.
Marathon Model: 5KC46LN0149X
Replaces Century B594, B594


















Reviews
There are no reviews yet.