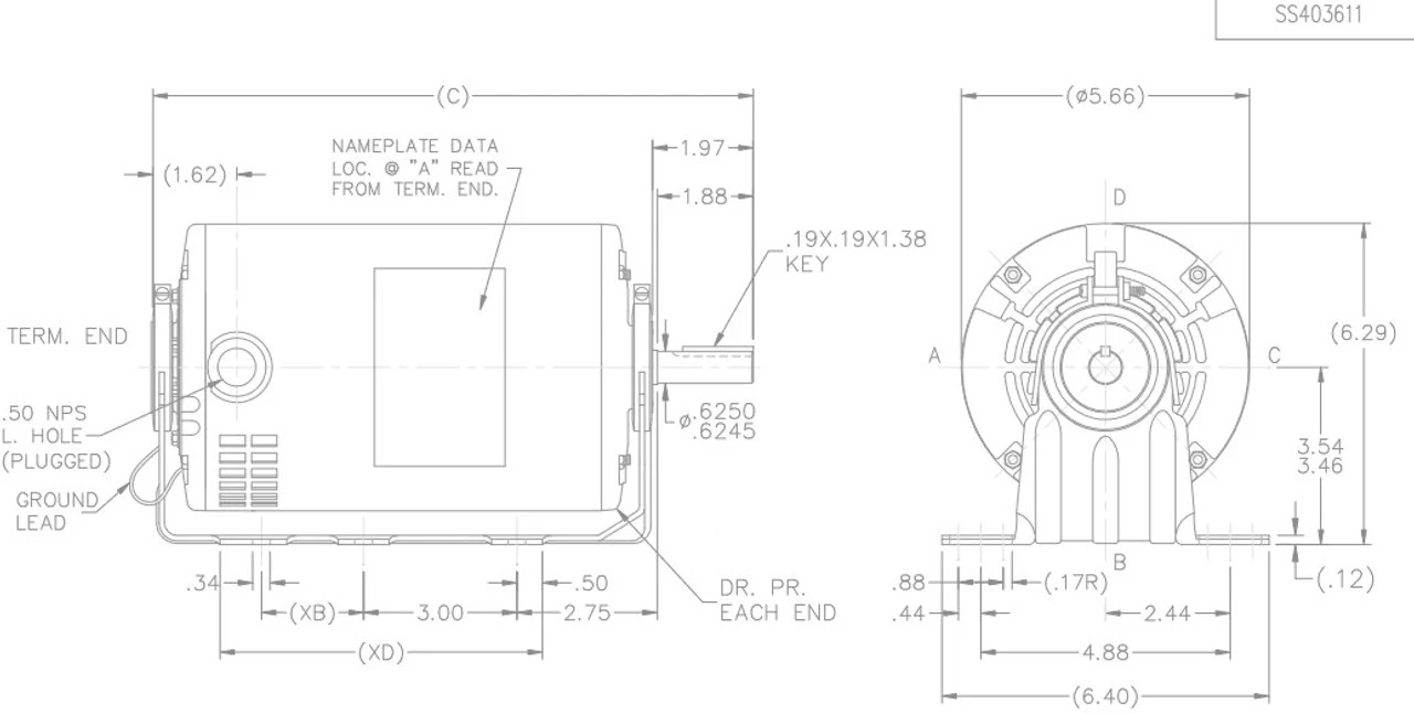
- 1/2 hp 1800 RPM, 7.2/3.6 amps, 115/230 Volts 60 Hz, Split Phase
- NEMA 56 Frame keyed Shaft 2″ x 5/8″ Diameter, 1 speed
- Service Factor = 1.25, Thermal Protection = Auto
- Resilient Base, Reversible, Ball Bearings, Class B insulation
- 1 Year Manufacture Warranty
Blower motors are used to blow air inside of buildings. Shaft may be vertical or horizontal. ODP = Open Drip Proof. 056S17D2064



















Reviews
There are no reviews yet.