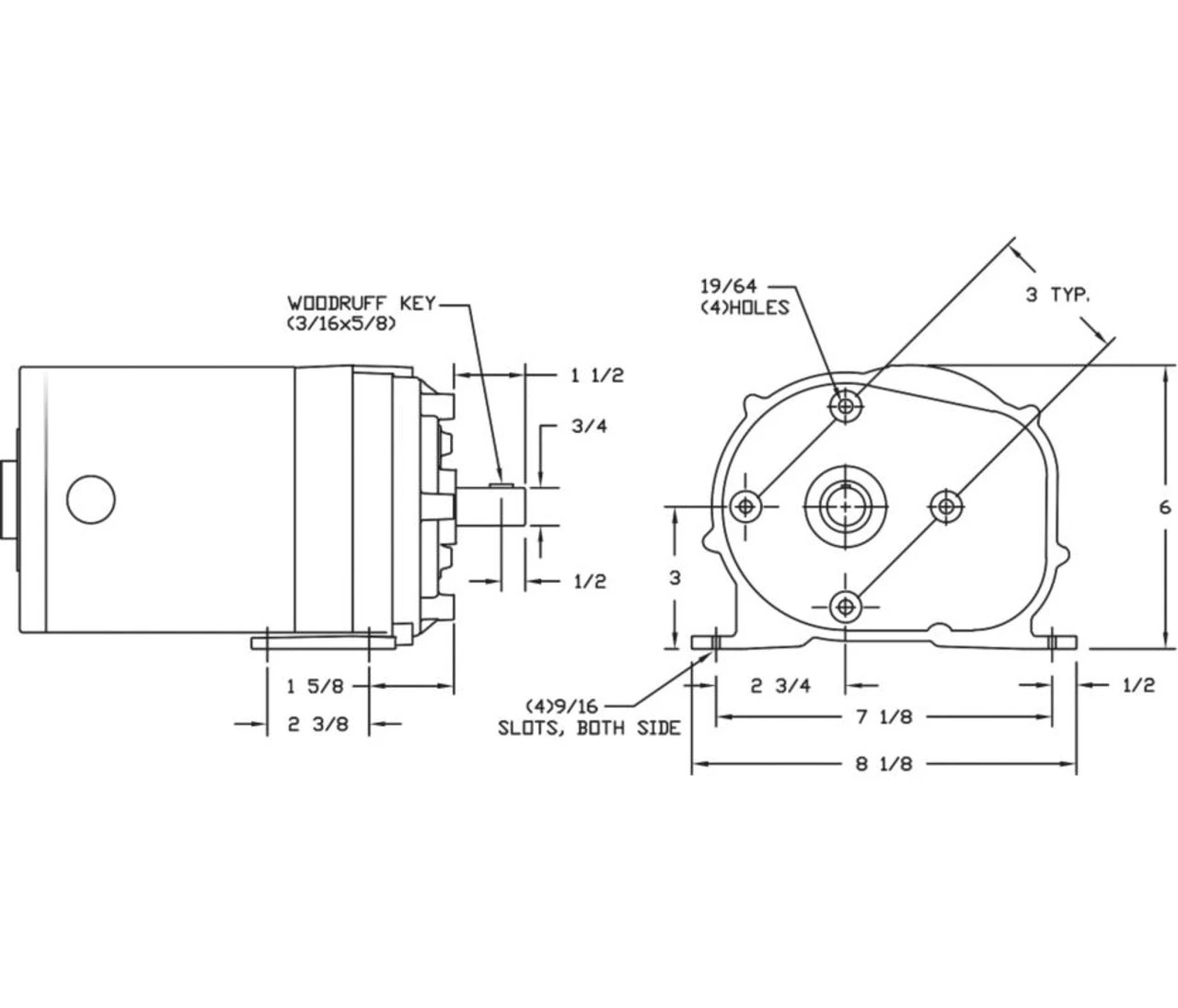
- 1/4 hp, 18 RPM, 3.6 amps, 115 volts, 60HZ.
- Load Torque 550 inch pounds
- Over Hung Pounds = 300
- Motor cannot be speed controlled
- Rotation = Reversible
- Keyed Shaft Shaft = 3/4″ x 1-1/2″
- Motor has 4 non threaded bolt holes on face of motor that can be tapped out for 3/8″ bolts (stainless not recommended)
- One Year Manufacture Warranty
Direct Replacement for the following models
Dayton 5K935, 1LPP5A
Von Wiese V00323AD20
Bison 014Q307-0096





















Reviews
There are no reviews yet.